
信息如何在空中瞬间旅行?
当您与远方的同事进行高清视频会议,画面流畅、声音清晰时,是否曾好奇过:这些复杂的音视频信息是如何在看不见的空气中进行瞬时旅行的?从您的设备发出,穿越空间,精确无误地到达对方的屏幕上?
这个看似神奇的过程,背后蕴藏着现代无线通信最核心的技术原理。让我们踏上这趟探索之旅,揭开信息传输的神秘面纱。

01 信息为什么需要”被搬运”?
基带信号的本质困境—信号的频率远远低于无线电波的工作频段
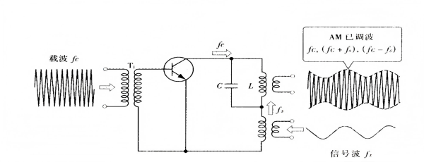
所有我们想要传输的原始信息——无论是语音、文字、图片还是视频,在数字化处理后都表现为低频的”基带信号”。这些信号的频率通常在几赫兹到几千赫兹的范围内,远远低于无线电波的工作频段。
物理世界的残酷限制—天线的尺寸必须与传输信号的波长相匹配才能有效辐射电磁波。
用数字来说:语音信号的频率约为300-3000Hz,对应的波长为100-1000公里。要有效发射这样的信号,天线的长度需要达到波长的四分之一,即25-250公里!显然,建造一个几十公里长的天线是不现实的。这就是为什么基带信号无法直接”飞”到空中的根本原因。

“调制”:信息的高速火箭—解决这个问题的核心技术就是调制(Modulation)

如果说基带信号是需要运输的”货物”,那么调制就是将这些货物装载到高速”火箭”(高频载波)上的过程。这个高频载波通常工作在几百兆赫兹到几千兆赫兹的频段上,对应的波长只有几厘米到几米,这样我们就可以使用小巧的天线来发射信号了。
在接收端,通过”解调(Demodulation)“过程,我们再将”货物”从”火箭”上卸下来,还原出原始的信息。
02 一个常见的技术误解-为什么不直接让基带信号变成高频?
理解“信息”和”载体”的本质区别


03 基础调制过程—IQ调制的巧妙构思
在解决了“为何要调制”的根本问题后,工程师们面临一个更深层次的挑战:如何才能在有限的频谱资源(即信道宽度)内,尽可能高效地“装载”信息? 早期的调制方式如同单行道,一次只能传递一个维度的信息。而IQ调制的诞生,则堪称无线通信史上的一次“维度跃迁”,它开创性地在同一信道内构建了两个相互独立的“信息车道”,极大地提升了频谱效率。
从一维到二维:维度的跃升
最简单的幅度调制(AM)像调光开关,靠改变信号强弱(振幅)这一个维度传信息,虽有效但潜力有限。
而 IQ 调制跳出一维思维,升级到二维思路,核心是用同一频率载波的两种正交形态 —— 同相分量(I)和正交分量(Q):用高频振荡器产生余弦波(cosωt)当 I 路载波,把这波形精确移相 90 度,得到正弦波(sinωt),就是 Q 路载波。
“正交”是这里最关键的数学概念。在物理意义上,它意味着这两个载波是完全独立的、互不干扰的。它们就像一个二维直角坐标系中的X轴和Y轴。你在X轴上移动,并不会影响你的Y坐标;反之亦然。这种完美的独立性,为在同一时间、同一频率上传递两路完全不同的信息提供了可能。
信息如何“兵分两路”?


星座图:信息的可视化“密码本”
为了直观地理解这个二维调制过程,我们引入了星座图(横轴 (X轴) 代表I路信号的幅度,纵轴 (Y轴) 代表Q路信号的幅度)。
图上的每一个点(被称为“符号”),都代表着一个独一无二的 (I, Q) 幅度组合,并且这个组合唯一地对应着一段二进制数据(例如“1011”)。

IQ 调制利用正交性,把单一无线电信道逻辑上变成二维信息平面,它是 QAM(正交幅度调制)的基础,而 Wi-Fi 速率的每次提升,很大程度上都是在这之上绘制更密集、精细 “星座图” 的结果。
04 解调:从混合信号中“解绑”原始信息
当经过IQ调制的射频信号 s(t) 到达接收天线时,它是一个包含了I路和Q路信息的混合体。接收端的任务,就像一位高明的侦探,从这个混合信号中,完美地分离并恢复出原始的I路基带信号 I(t) 和Q路基带信号 Q(t)。
第一步:相干检测-- 使用“密钥”解锁
这是解调过程中最核心也最考验精度的一步。接收机不能被动地“听”,它必须主动地产生一个与发送端频率和相位完全同步的本地参考信号。这个参考信号被称为本地载波或本振。
“密钥”的生成:接收机内部的锁相环(PLL)电路会锁定接收到的信号,并生成一个与发送端载波频率和相位完全一致的 cos(ωct) 和 sin(ωct)。密钥精准度直接决定解调成败,偏差会导致解调出的信号失真。
“解锁”操作:接收到射频信号s(t) 被一分为二,进入两个独立的处理路径。
第二步:数学的“魔法” -- 正交性的再次显威
在I路处理的结果中,我们想要的原始信号 I(t) (幅度减半)变成了一个低频的基带分量。而所有其他成分,无论是来自I路自身的高频谐波 cos(2ωct),还是来自Q路的串扰 sin(2ωct),都被“推”到了两倍载波频率 2ωc 这个极高的频段上。
同理,在Q路处理的结果中,我们想要的 Q(t) 也被成功地留在了低频基带,而所有其他干扰项都被推到了高频,从而为下一步的滤除创造了条件。
第三步:低通滤波- - “筛”出纯净信息
经过乘法运算后,我们得到的信号是一个“混合物”:一部分是我们梦寐以求的、纯净的低频基带信号,另一部分是必须丢弃的高频“垃圾”。
低通滤波器(LPF)如同精细 “筛子”,仅允许低于 “截止频率” 的信号通过;该截止频率被设为高于基带信号最高频率、远低于 2ωc。
I 路、Q 路经 LPF 处理后,高频 cos (2ωct) 与 sin (2ωct) 被滤除,分别保留纯净的 ½I (t) 与 ½Q (t),原始基带信号就此恢复(幅度可通过后续放大器补偿),信息 “解绑” 完成。
05 Wi-Fi的进化史——从“连接”到“体验”的伟大征途
在理解了IQ调制解调这一基础操作后,我们便能更好地审视Wi-Fi技术本身的发展。从诞生之初到如今的Wi-Fi 6,其演进并非简单的速率叠加,而是一部围绕着频谱效率、信道容量和多用户并发处理能力这三大核心议题,不断提出问题并予以精妙解答的技术发展史。
802.11a/g 时代 (奠基期): OFDM技术的引入
早期的Wi-Fi标准(如802.11b)虽然实现了无线连接,但在现实环境中面临着速率不高和严重的干扰问题。其瓶颈在于当时采用的信道复用技术较为初级,容易受到“多径效应”(即信号经不同路径反射后在接收端产生抵消)的干扰。
为解决此问题,802.11a(工作在5GHz频段)和802.11g(工作在2.4GHz频段)首次引入了一项奠基性的技术——OFDM (正交频分复用)。

802.11n / Wi-Fi 4 (提速期): MIMO技术的应用
OFDM解决了信道的效率和稳定性问题,但数据传输本质上仍是“单车道”模式。为了进一步提升吞吐量,802.11n (Wi-Fi 4)引入了另一项革命性技术——MIMO (多输入多输出)。

802.11ac / Wi-Fi 5 (扩容期): 多维度的优化
随着智能手机和流媒体的普及,网络需要承载更多设备和更大的流量。802.11ac (Wi-Fi 5) 采取了一种多维度优化的策略来应对挑战。


802.11ax / Wi-Fi 6 (革命期): 面向高密度的效率革命
802.11ax (Wi-Fi 6) 的诞生,标志着Wi-Fi设计哲学的根本性转变。其核心目标不再是单纯追求单一设备的峰值速率,而是提升高密度、高并发环境下所有用户的平均网络效率和体验。

OFDMA (正交频分多址接入):这是对OFDM技术的精细化革命。OFDM是将整个信道的子载波资源在某一时刻全部分配给一个用户,而OFDMA则可以将这些子载波资源,在同一时刻按需拆分成更小的单元(资源单元, RU),灵活地分配给多个不同的用户。这个机制对于物联网传感器、语音助手等小数据包应用场景效率提升尤为巨大。其区别好比:一辆满载的货车(OFDM)只能服务于一个客户,即使客户只订购了一件小商品;而OFDMA则允许这辆货车同时装载来自多个客户的小包裹,一次性完成配送,极大降低了延迟和资源浪费。

更高阶的调制 (1024-QAM):Wi-Fi 6再次提升了调制密度,达到了1024-QAM(每符号承载10比特),相比256-QAM实现了25%的峰值速率增长。但这需要极高的信噪比(SNR),对硬件的射频性能和信号环境提出了严苛要求。
通过这一系列的技术演进,Wi-Fi已从最初仅能满足基础网页浏览的连接工具,成长为能够支撑起整个智能家居、高清视频会议和企业级应用的高性能网络基础设施。而这一系列精密技术的稳定运行,都对承载它的硬件平台提出了越来越高的要求。
06 从理论到实践的桥梁——工业级应用的挑战
理论与现实的鸿沟-工业环境的严酷考验
前面我们深入探讨了无线通信的理论原理和Wi-Fi 6的技术优势,但要将这些精密的技术在真实的工业环境中稳定运行,还需要跨越一道巨大的鸿沟。

这些挑战要求网络设备不仅要在技术上先进,更要在工程可靠性上达到工业级标准。
供应链安全—国产化的战略意义
在工业、能源、交通等关键基础设施领域,网络设备的自主可控已经不仅仅是技术问题,更是国家安全和生产安全的基石。

07 理论照进现实——上海兆越通讯5G+WIFI6的技术答卷
